Electrification is driving the use of batteries for a range of applications, including electric vehicles (e.g., cars, buses), ships, electric aircraft, grid-tied energy storage systems, and photovoltaic systems. These applications have different requirements for battery system design in terms of cell selection, power/energy density, volume, weight, and lifetime.
Simulation of the battery system design before testing provides insight into the dynamic behavior of the battery pack. It also lets you:
- Explore and compare software algorithms.
- Expand operational test cases.
- Shorten the technology development cycle from battery cell to battery system.
The workflow for battery system development begins with building the battery cell. Five major tasks build a bridge from battery cell design to a battery system. Those steps include:
- Battery pack design
- Electrical and thermal battery pack component design
- Battery management system (BMS) algorithm development
- Integrating components to run desktop simulations
- Hardware-in-the-loop (HIL) testing and deployment
Building a bridge between battery cell and battery system.
Using Simulink® and Simscape™, the battery system development workflow begins with integration of the system components so that you can perform desktop simulation to validate the component designs and algorithms (see Desktop Simulation). The next step is real-time simulation of models using rapid prototyping and hardware-in-the-loop testing (see Real-Time Simulation of Battery Systems). The final stages of development involve hardware implementation, deployment, and testing (see Hardware Implementation).
Using the Simscape Battery™ application programming interface (API) in MATLAB®, you can design a battery pack. Foundational elements of the design include cell design, parallel assembly, module, module assembly, and battery pack design.
Using Simscape Battery, you can:
- Model electrothermal behavior and include charge dynamics, aging, thermal, and heat transfer effects in battery cell models.
- Parameterize cells based on manufacturer data sheets.
- Build and visualize battery models with different geometries and topologies, from cell to module and from module to pack.
- Model cooling plates with customizable fluid paths and thermal connections to the battery pack.
- Explore cell-to-cell temperature variation and measure cooling efficiency.
- Generate a custom Simulink library model for your battery pack design.
- Set a suitable model resolution to strike a balance between model fidelity and simulation speed.
Key Takeaways
- Develop a customized battery pack with different model resolutions.
- Add thermal effects into the battery model.
- Generate battery pack models for simulation using one single line of code.
From Battery Cell to Battery System
Engineers can use MATLAB and Simulink to design a battery thermal management system to regulate battery pack temperature within specifications and ensure it delivers optimal performance for a variety of operating conditions.
Thermal analysis comparison of a new and aged lithium-ion battery using Simscape Battery.
Using Simscape and Simscape Battery, you can create models starting at the battery cell level and then add ambient temperature effects, thermal interface materials, and cooling plate connections to create a more representative model. Heat transfer can be considered from cell-to-cell, cell-to-plate, and cell-to-environment perspectives by defining the thermal paths to the ambient, the coolant, and the location of the cooling plate. Simscape Battery provides prebuilt cooling plate blocks that support different flow configurations, including parallel channels, U-shaped rectangular channels, and edge cooling.
Parallel channels block in Simscape Battery.
U-shaped channels block in Simscape Battery.
Edge Cooling block in Simscape Battery.
A pack-level thermal model can be built by assembling cells into modules with thermal effects and arranging modules inside a pack. You can perform thermal performance analysis on battery packs with different levels of aging to meet warranty criteria at end-of-life (EOL) time.
Detailed 1D thermal modeling of a single battery cell with Simscape using the Thermal Elements library.
Detailed 1D thermal modeling of a single battery cell with Simscape using the Thermal Elements library.
Defining the coolant thermal path for the battery module with Simscape Battery.
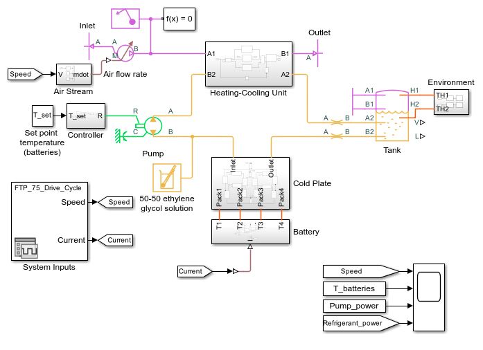
You can use Simscape and Simscape Fluids™ blocks in gas, liquid, and thermal domains to model active, passive, or hybrid cooling/heating solutions. You can also explore cooling/heating system architectures by drawing schematics to place pipes, valves, heat exchangers, and tanks.
In the case of a liquid loop system, you can model an expansion tank that keeps reserve fluid; cold plates that channel the working fluid near the battery cells; a motor-driven circulation system with the pump, flow path, and valves; and different types of heat exchangers such as wired heaters or radiators.
After you have created a model of the cooling/heating system, you can run simulations, refine the design by exploring component sizing and system parameters, and satisfy requirements such as heat dissipation and power consumption.
An active liquid-loop cooling/heating system model for batteries in an electric vehicle (EV) created using Simulink and Simscape.
An active liquid-loop cooling/heating system model for batteries in an electric vehicle (EV) created using Simulink and Simscape.
Simulink makes it easy to design closed-loop controls that combine feedforward and PID techniques for circulation system controls—such as feed stream (valve) control, mass flow (pump) control, and heat exchange path selection control. With Simscape Battery, you can use prebuilt blocks, such as Battery Coolant Control and Battery Heater Control, to build battery thermal management control algorithms. With Stateflow®, you can also design supervisory control logic for switching between different operating modes—such as heating versus cooling—based on the environmental temperature and the battery temperature.
A Simulink model of a coolant control system that calculates the flow rate based on temperatures among the battery cells as well as the ambient temperature.
A Simulink model of a coolant control system that calculates the flow rate based on temperatures among the battery cells as well as the ambient temperature.
Key Takeaways
- Build a pack-level thermal model by assembling cells into modules with thermal effects.
- Use prebuilt cooling plate blocks.
- Build models for cooling/heating systems using various working fluids.
- Simulate extreme temperature conditions to design for “what-if” scenarios.
- Conduct scenario studies to assess the thermal impact of different design options.
- Perform component selection and component sizing with modeling and simulation.
Battery Thermal Management System Design
Mahindra Electric Uses System-Level Simulation to Optimize Battery Thermal Management System for an Electric Vehicle
“1D simulation has been used in Mahindra Electric to optimize the BTMS. In this system model, the battery, cooling circuit, and refrigeration circuit were effectively implemented using Simscape. The vehicle, driver, and equivalent circuit model were implemented on the Simulink platform.”
A well-designed battery management system (BMS) ensures maximum performance, safe operation, and optimal lifespan under diverse charge-discharge and environmental conditions. Simulink and Simscape enable you to gain insight into the dynamic behavior of the battery pack, explore software architectures, test operational cases, and begin hardware testing early, reducing design errors. Engineers can use built-in BMS control blocks in Simscape Battery to evaluate the designed battery pack performance, develop a thermal management system, and run system-level simulations.
To meet these objectives, the BMS consists of algorithms that control the behavior and performance of the battery pack.
Accurate battery models are vital in the development of algorithms for state-of-charge (SOC) estimation. Traditional approaches to SOC estimation, such as open-circuit voltage (OCV) measurement and current integration (Coulomb counting), are reasonably accurate in some cases. However, estimating the SOC for modern battery chemistries that have flat OCV-SOC discharge signatures requires a different approach. The extended Kalman filter (EKF) and unscented Kalman filter (UKF) are approaches that have been shown to provide accurate results for a reasonable computational effort.
Simscape Battery contains three SOC Estimators: Coulomb counting, adaptive Kalman filter, and Kalman filter. Compared to the Kalman filter SOC estimator, the adaptive Kalman filter SOC estimator has terminal resistance as an additional state. Both the adaptive Kalman filter SOC estimator and the Kalman filter SOC estimator have the options to select EKF or UKF to develop an observer for estimating SOC. Such observers typically include a model of the nonlinear system of interest (the battery), which uses the current and voltage measured from the cell as inputs, as well as a recursive algorithm that calculates the internal states of the system (SOC among them) based on a two-step prediction/update process.
In contrast to a Kalman filter, using a neural network to develop an SOC estimator does not require extensive information about the battery or its nonlinear behavior. Instead, the network is trained with current, voltage, and temperature data and SOC as a response.
Key Takeaways
- Simscape Battery contains three state-of-charge (SOC) estimators: Coulomb counting, an adaptive Kalman filter, and a Kalman filter.
- Both adaptive Kalman filter SOC estimators and Kalman filter SOC estimators have the options to select EKF or UKF.
- An adaptive Kalman filter SOC estimator has terminal resistance as an additional state.
- An SOC estimator can be developed using a neural network without extensive information about the battery.
How to Estimate Battery State of Charge Using Deep Learning
All batteries, including those that meet performance specifications at time of manufacture, degrade over time due to calendar life and cycling, suffering a gradual loss in reserve capacity and an increase in internal resistance. While the latter is relatively straightforward to estimate using short time measurements, the former requires a full charge or discharge excursion for an accurate calculation, which is not always practical. This challenge has led to growing interest in state-of-health (SOH) estimation as well as the development of adaptive Kalman filter formulations augmented to include battery parameters in addition to states. An accurate estimation of the instantaneous internal resistance is very helpful for the BMS to establish power limitations.
SOH estimation is more subjective than SOC estimation; there is no universal agreement on how SOH is to be defined. As a result, each organization may have its own specific method for quantifying an SOH estimate, making it impossible to use general-purpose, off-the-shelf solutions. Using Simulink and Simscape, you can develop and simulate custom SOH estimation algorithms that are in line with your organization’s specific interpretation of battery health.
Key Takeaways
- Simscape Battery provides an SOH estimator block using a Kalman filter.
Model-Based Parameter Identification of Healthy and Aged Li-ion Batteries for Electric Vehicle Applications
Simscape Battery provides prebuilt library blocks for cell balancing, battery charging, and battery protection.
Cell balancing capabilities keep a similar SOC in all cells by dissipating the excess charge through a bleed resistor. Balancing is necessary to prolong the life of cells that can be damaged by overcharge or discharge. Multiple cells improve capacity when cells are balanced.
Battery charging is controlled with a constant-current/constant-voltage (CC-CV) algorithm. This is a common approach that maintains battery life by preventing overcurrent and overvoltage when charging. Current is limited during charging until a preset voltage is reached.
Protecting the battery requires monitoring current, voltage, and temperature. Simscape Battery provides blocks that you can incorporate into your BMS algorithms.
Battery monitoring blocks implemented into a BMS model.
Key Takeaways
- Simscape Battery provides blocks for cell balancing, current and voltage control, and monitoring voltage, current, and temperature.
Battery Management System Development in Simulink
Desktop simulation in Simulink enable you to verify functional aspects of the battery system design. On the desktop, the battery system, environment, and algorithms are simulated using behavioral models. For example, you can explore active versus passive cell balancing configurations and algorithms to evaluate the suitability of each balancing approach for a given application. You can use desktop simulation to explore new design ideas and test multiple system architectures before committing to a hardware prototype. You can also perform requirements testing in desktop simulations; for example, you can verify that contactors are prevented from opening or closing when an isolation fault is detected.
The ability to perform the realistic simulations that are central to the development of BMS control software starts with an accurate model of the battery pack. Batteries are often designed using finite element analysis (FEA) models that account for the physical configuration of the batteries and capture their electrothermochemical properties. Although these models are excellent for designing and optimizing a battery pack’s chemistry and geometry, control engineers need models that are better suited for system-level design and software development.
“Many of our initial battery models were empirical, with an ideal voltage source and a fixed impedance. We now use much more sophisticated first-principles models, and as a result, [we] have gained invaluable insights into the battery as an electrochemical device. We used Simulink to build advanced equivalent circuit models that can predict performance at different states of charge, discharge rates, temperatures, and levels of aging.
“We used a similar approach to perform safety-critical simulations to predict cooling performance within the battery and ensure that the battery packs would not overheat. To capture all the multidomain physical, chemical, and heat-transfer effects would typically require a finite-element analysis tool and significant effort. With MathWorks tools we performed analyses and gained insights that lead to dramatic advances in battery technology.”
Key Takeaways
- Simscape Battery provides a more accurate battery pack model.
When developing BMS algorithms in Simulink, you can use equivalent circuits to simulate the thermoelectric behavior of the battery cell. The equivalent circuit typically comprises a voltage source, a series resistance, and one or more resistor-capacitor pairs in parallel. The voltage source provides the open circuit voltage while the other components model the internal resistance and time-dependent behavior of the cell. These equivalent circuit elements are, in general, temperature and state-of-charge (SOC) dependent. Because these dependencies are unique to each battery’s chemistry, they need to be determined using measurements performed on battery cells of the same type as those for which the controller is being designed. You can use optimizations in Simulink and MATLAB to parameterize an equivalent circuit via model correlation with experimental data.
Key Takeaways
- Use optimization in Simulink and MATLAB to parameterize an equivalent circuit of the battery cell.
Automating the Parameter Estimation of a Battery Model
Battery Model Parameter Estimation Using a Layered Technique: An Example Using a Lithium Iron Phosphate Cell
In addition to the battery pack model, realistic battery system simulations require accurate models of the circuit components connecting the battery system to the power source and load. Simscape Electrical, an add-on product for Simulink, provides complete libraries of the active and passive electrical components needed to assemble a complete battery system circuit, such as the analog front end for cell balancing. The charging source can consist of a DC supply, such as a photovoltaic (PV) system, or an AC source, for which the current is rectified.
System-level simulation with Simulink and Simscape lets you construct a sophisticated charging source around the battery and validate the battery system under various operating ranges and fault conditions. The battery pack load can be similarly modeled and simulated. For example, the battery pack may be connected through an inverter to a permanent magnet synchronous motor (PMSM) in an electric vehicle (EV). With simulation, you can vary the operation of the EV through drive cycles and evaluate the effectiveness of the BMS in changing operating conditions.
Key Takeaways
- Use optimizations in Simulink and MATLAB to parameterize an equivalent circuit of the battery cell.
High-Voltage Battery Feeding the IPMSM Through a Controlled Three-Phase Inverter
When you incorporate desktop simulation into your testing procedures, you can author and execute test cases to exercise the battery system along all possible branches of logic and closed-loop control—a level of coverage rarely available when testing with hardware. With this approach, the simulation model serves as an executable specification driving the design and testing of the battery system. Simulink supports testing via desktop simulation with a range of features that enable you to:
- Incorporate requirements, such as limits, tolerances, logical checks, and temporal conditions, into the model with traceability to the original specifications
- Construct complex sequences of simulation-based tests to perform functional, baseline, equivalence, and back-to-back testing
- Track industry-standard metrics such as decision, condition, and modified condition/decision coverage (MC/DC), as well as relational boundary coverage
- Generate test inputs to achieve complete model coverage and custom objectives
- Use formal methods to identify hidden design errors that result in integer overflow, dead logic, and division by zero
When the battery system under development must meet safety requirements, you can integrate tests based on formal methods into your software development process in accordance with standards such as IEC 61508, IEC 61851, and ISO® 26262.
“While developing the controller model in Simulink, we frequently checked compliance with style guidelines and modeling standards using the Model Advisor. We also checked for dead logic, divide-by-zero errors, and other design errors in our models using Simulink Design Verifier™.”
Once validated via desktop simulation, Simulink models can be used to generate C and HDL code for rapid prototyping (RP) or hardware-in-the-loop (HIL) testing to further validate the BMS algorithms in real time. With RP, instead of handwriting control software code for real-time testing, you generate code from your controller model and deploy it to a real-time computer that performs the functions of the production microcontroller. With automatic code generation, algorithm changes made in the model can be tested on real-time hardware in hours rather than days. Further, you can interact with real-time control hardware from within Simulink to change algorithm parameters and log test data.
As with rapid prototyping, HIL testing involves generating code from a Simulink model and deploying it to a real-time computer. In the case of HIL testing, code is generated from the battery system models rather than the control algorithm models, providing a virtual real-time environment that represents battery pack, active and passive circuit elements, loads, charger, and other system components. This virtual environment lets you validate the functionality of the BMS controller in real time before developing a hardware prototype and in an environment where hardware will not be damaged.
Tests developed during desktop simulation can be carried over to HIL testing to ensure that requirements are met as the BMS design progresses. Though HIL testing is employed primarily to test code running on a microcontroller or FPGA, you can instead use a rapid prototyping system, such as Simulink Real-Time™ and Speedgoat® target hardware, and connect it to the HIL setup before production controller hardware is selected.
“With Model-Based Design, we have an integrated process for development from idea through production code generation. MathWorks tools enabled us to develop key battery management technology using our own expertise in an environment that facilitated early and continuous verification of our design.”
Real-time simulation—encompassing both rapid prototyping and HIL testing—provides power electronics control engineers with additional insights into how a BMS design will perform on hardware. In both RP and HIL, the objective is to emulate in hardware one aspect of the overall design: the BMS controller in RP and the balance of the battery system in HIL. Real-time simulation offers several significant advantages in BMS design, letting you:
- Conduct RP to start validating algorithms before the final controller hardware is selected.
- Exploit the flexibility of a real-time test system for rapid design iteration and testing.
- Conduct HIL testing before the battery system prototype hardware is available.
- Use a combination of RP and HIL testing to exercise BMS algorithms for test cases that may be difficult, expensive, or destructive if you were to use the actual hardware.
Hardware-in-the-loop (HIL) testing of battery management system software. The BMS code is generated from BMS algorithms modeled in Simulink and deployed to a Texas Instruments® C2000 microcontroller. The plant model (battery pack, contactor, inverter, charger) is modeled in Simulink. Code is generated and deployed to run on Speedgoat real-time machine with battery emulator.
Hardware-in-the-loop (HIL) testing of battery management system software. The BMS code is generated from BMS algorithms modeled in Simulink and deployed to a Texas Instruments® C2000 microcontroller. The plant model (battery pack, contactor, inverter, charger) is modeled in Simulink. Code is generated and deployed to run on Speedgoat real-time machine with battery emulator.
By reusing desktop simulation models in Simulink to generate code for real-time simulation, you can shorten overall development time. You can generate C/C++ and HDL code that executes on computers optimized for real-time performance. Code generated from Simulink models for real-time simulations includes interfaces that enable you to adjust control parameters while the real-time simulation is running.
During hardware testing, making changes to controller code can cause delays and additional risks. Modifying the code by hand, recompiling it, and deploying it to the microcontroller or FPGA takes time—potentially a long time if you are a control algorithm developer who relies on a software or hardware engineer to make the changes. Depending on the extent of the changes required, you also risk introducing new problems into the implemented code.
Instead of handwriting code updates to controller software, you can use Simulink to generate code that executes in real time on a dedicated computer and uses high-speed I/O to communicate with test hardware. In addition to eliminating manual coding and its associated delays, another advantage of this RP approach is that you can validate changes to the BMS software by running the simulation model on the desktop first to verify that no other problems were introduced.
Because hardware prototypes for a battery system can take considerable effort to build and modify, and because they are often costly to repair, it is not always feasible to test such prototypes against the electrical system in which the battery pack will operate. Given these limitations, even small design changes can threaten development schedules, and BMS designs tend to evolve slowly because teams consider radical departures from the previous design as too risky.
With Simulink, you can generate C/C++ and HDL code from the model of the hardware in your battery system and the greater system of which it is part, including the supply and the load. Once you deploy this code to a real-time computer, you are able to run real-time simulations of the hardware against your controller code before testing the controller in a battery system prototype. As a result, you can find and correct control design errors before they potentially damage expensive and difficult-to-replace prototype hardware. You can also uncover hardware design errors, such as incorrect component sizing.
Many HIL real-time systems, including Speedgoat target hardware, incorporate battery emulators, letting you emulate portable battery power supplies, emulate battery stacks for electric vehicles, or sink current to simulate batteries under charge.
“I feel that Speedgoat has certainly developed a plug-and-play real-time platform for Simulink. For us, that translates into more time testing our control systems and less time developing a HIL bench.”
Testing Battery Management Systems with Hardware-in-the-Loop
In the hardware implementation stage, the Simulink control models that have been verified via desktop simulation, RP, and HIL are used to generate efficient, production-ready code for the BMS. If necessary, production code generation can be incorporated into workflows compliant with formal certification standards used in the automotive, aerospace, and other regulated industries.
Simulink generates readable, compact, and efficient C/C++ and HDL code from controller models that is ready for implementation on production microcontrollers, FPGAs, and ASICs. Unlike code generated for RP, code generated for production use does not include the extra interfaces needed to support real-time monitoring, parameter tuning, and data logging. Optimization settings enable you to precisely control the generated functions, files, and data to improve code efficiency and facilitate integration with legacy code, data types, and calibration parameters.
In processor-in-the-loop (PIL) simulation, the C/C++ or HDL code runs on the microcontroller or FPGA while the device is stepping in execution with a Simulink model of the BMS hardware, limiting the risk of damaging a hardware prototype during initial evaluations of the BMS code. Although PIL simulations are not executed in real time, they are bit-true, enabling you to verify your code under a range of conditions and build confidence that it will execute properly once deployed on the real system.
Desktop simulation, RP, HIL, and PIL simulations all enable you to verify and validate the control algorithms for the BMS. With Simulink, you can use those same algorithms as the basis for generating production-ready code—either optimized and stable C/C++ code for implementation on microcontrollers or synthesizable HDL code for FPGA programming or ASIC implementation. Automatic code generation eliminates manual algorithm translation errors and produces C/C++ and HDL code with numerical equivalence to the algorithms you validated in Simulink. By simulating your control algorithms over all possible operating and fault conditions, you increase confidence that the generated code will handle those same conditions in the real system, even if you are unable to test for all of them. If hardware tests later indicate that algorithm changes are needed, you can simply modify the algorithms in your model, rerun simulation test cases to verify the correctness of the changes, and generate new, updated code. All generated C/C++ and HDL code is fully portable, optimizable with a range of options, and bidirectionally traceable to the Simulink model.
Automatically generated BMS production code from BMS algorithms modeled in Simulink. The code is deployed to a Texas Instruments C2000 microcontroller.
Automatically generated BMS production code from BMS algorithms modeled in Simulink. The code is deployed to a Texas Instruments C2000 microcontroller.
“We check every requirement needed for certification via simulation in Simulink before verifying it on the real circuit—and because we used Embedded Coder® to generate code directly from our model, there’s no gap between our simulations and the real embedded software.”
Generating Production Code
Recommended Next Steps
Select a Web Site
Choose a web site to get translated content where available and see local events and offers. Based on your location, we recommend that you select: .
You can also select a web site from the following list
How to Get Best Site Performance
Select the China site (in Chinese or English) for best site performance. Other MathWorks country sites are not optimized for visits from your location.
Americas
- América Latina (Español)
- Canada (English)
- United States (English)
Europe
- Belgium (English)
- Denmark (English)
- Deutschland (Deutsch)
- España (Español)
- Finland (English)
- France (Français)
- Ireland (English)
- Italia (Italiano)
- Luxembourg (English)
- Netherlands (English)
- Norway (English)
- Österreich (Deutsch)
- Portugal (English)
- Sweden (English)
- Switzerland
- United Kingdom (English)