デマンドレスポンス

デマンドレスポンスとは?

デマンドレスポンスとは、災害や事故によって電力供給が不安定になったり、電力市場での価格が高騰したりすることがあります。そのような場合に需要家が電力の使用を控えるよう電力消費行動を変化させることを言います。消費行動を変化させる代表的な方法は、電気料金の変更やインセンティブの支払いがあります。

電気料金やインセンティブの額を決めるためには様々な状況を考慮に入れ、適切な値を計算する必要があります。

また、デマンドレスポンスに関係するのは大きく分けて、発電を行う電力会社、卸売業者、工場や大型施設の電力消費者、そして個人消費者があります。ここでは、個人消費者の立場は含まれないこととします。

以下ではデマンドレスポンスを実現するのに重要な解析技術を3つの分野に分けて紹介していきます。

ニューラルネットワークによる電力需要量のリアルタイム予測システムの例。

ニューラルネットワークによる電力需要量のリアルタイム予測システムの例。MATLAB Production Serverによりブラウザから結果を取得。

デマンドレスポンスの解析技術

解析技術1.電力需要予測

今後数時間、もしくは数カ月に渡ってどれだけの電力が使われるかを予測する電力需要予測はデマンドレスポンスの最初の一歩とも言えます。この予測に基づいて、発電所の稼働計画、市場での取引、燃料の売買契約などが行われ、電気料金やインセンティブが決定されます。

解析技術2.電力系統解析

各発電所により発電した電気は、発電→送電→変電→配電→引込線などの電力設備により需要家に届けられます。この一連の設備で構成されるシステムを「電力系統」と呼び、この電力系統を安定して運用するための解析技術を「電力系統解析」と呼びます。

電力系統解析は、従来の電力系統で生じる問題に加え、デマンドレスポンスの導入により生じる問題に迅速に対応するために重要な解析技術になります。

解析技術3.電力及び燃料取引の解析

電力自由化により電力もその燃料も先物として扱われるようになり、デマンドレスポンスにとって最適な取引を行うために過去の市場データや需要予測データなどを用いて解析を行うことが大変有効です。電力とその燃料に関しても金融工学的な手法の重要性が急速に増しています。

デマンドレスポンス(解析技術2:電力系統解析)

電力系統に生じる問題

先に述べた通り電力系統解析は、電力系統を安定して運用するための重要な解析技術です。 電力自由化により従来型の系統事故からの復旧問題に加え、デマンドレスポンスから生じる電力需給バランス不平衡による問題も電力系統解析により事前に解析し、その対策を講じておくことが重要です。

従来の電力系統で生じる問題

電力系統で生じる様々な事故や現象(短絡、地絡、停電、瞬時電圧低下等)が電力系統へ悪影響を及ぼします。

デマンドレスポンスと電力自由化により生じる問題

電力自由化により様々な電力源が電力系統に接続され、かつデマンドレスポンスにより経済性を加味した電力取引がなされるようになりますが、電気は貯蔵できないため生産量と消費量が常に同じである必要があります。

この需要と供給のバランスが崩れると周波数や電圧変動が発生し、需要家設備に悪影響を及ぼしたり、送電ロスが増加するなどの弊害が発生します。

デマンドレスポンスの最適化に重要な電力需要予測データを3Dサーフェイスフィッティングによりモデル化

デマンドレスポンスの最適化に重要な電力需要予測データを3Dサーフェイスフィッティングによりモデル化

電力系統解析の利用と応用例

電力系統解析には様々な解析手法があります。上記で述べたデマンドレスポンス等により生じる電力系統への悪影響を未然に防ぐためのいくつかの解析手法を下記に紹介します。

潮流計算

電力系統の運転状態や運用計画を行うために、電力系統(発電機母線、送電線、負荷母線)における電圧・電流の振幅位相、有効電力・無効電力等の電力の流れ(潮流)を計算します。

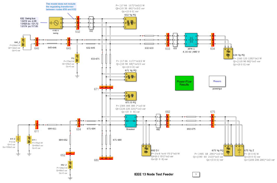
IEEE 13 Node Test Feederを模擬した不平衡潮流解析

IEEE 13 Node Test Feederを模擬した不平衡潮流解析

安定度解析

安定度解析は大きく2つに分類されます。一つは定態安定度解析、もう一つは過渡安定度解析です。定態安定度解析は定常状態での電力系統の安定度解析を行うのに対し、過渡安定度解析では送電線の系統事故等が生じた場合の過渡的な安定性を解析します。

故障電流解析

系統事故時(地絡、短絡故障及び断線故障等)の故障電流および系統各部における電圧・電流分布を解析します。

風力発電プラントでの25 kV ラインで発生する単相地絡故障の影響を解析

風力発電プラントでの25 kV ラインで発生する単相地絡故障の影響を解析

高調波解析

電源に高調波(商用周波数の整数倍の周波数をもつもの)が含まれると、高調波が流入しやすい機器に高調波電流が流れて、過電流、過熱などの障害が発生します。このような障害発生を抑制するために流入した高調波を解析します。

電力系統解析での解析技術

電力の安定供給にはデマンドレスポンスへの対応を含め、電力系統に生じる様々な問題点を様々な手法で解析し、管理していく必要があります。そのために各種解析手法のためのプログラムが開発され電気的影響をシミュレーションするツールが活用されています。

例えば日本の電気学会においても、系統周波数の変動や調整力の不足等の周波数安定性の面での課題に対する研究を支援する「電力需給・周波数シミュレーションの標準解析モデル」をMATLAB®/Simulink®により作成し、需給・周波数シミュレーションの共通基盤としての活用が期待されています。

ここではMATLABの電気系モデリングツールであるSimscape Electrical™を用いたシミュレーションと解析について紹介します。

シミュレーションと解析

Simscape Electrical により、解析目的に応じた最適なシミュレーション方法を使用できます。主要な電力システム解析が自動化されており、設計のパフォーマンスを迅速かつ正確に評価する上で役立ちます。

シミュレーション手法

Simscape Electrical により、連続法、離散化法、またはフェーザ法を用いたモデルのシミュレーションが可能になります。3つの手法が用意されていて、必要な精度と計算速度に応じて選択することが可能な環境を提供します。

連続法、離散化法、またはフェーザ法シミュレーション モードのオプション (左) により、過渡安定度や単に回路電圧の大きさを解析 (右)。

連続法、離散化法、またはフェーザ法シミュレーション モードのオプション (左) により、過渡安定度や単に回路電圧の大きさを解析 (右)。

潮流計算

Simscape Electrical は、モデルを初期化し、定常状態条件を決定する上で役立つ潮流計算用のツールを提供します。これは、回路の望ましい定常状態条件に基づき同期機および非同期機の電流、磁束、および回転子の位置の初期値を計算します。その初期値がレポートに表示され、モデルに自動的に入力されます。

電力品質解析

Simscape Electrical では、設計したシステムの電力品質の解析が可能になります。解析対象となる電気信号の全高調波歪み率を評価し、歪みが許容値を超えていないかどうかを比較し、歪みをフィルタリングするためのパラメーターを決定できます。MATLAB® 関数およびグラフィカル ツールにより、さまざまな条件下でシステムを解析し、結果をレポートおよびプロットにまとめることができます。

Simscape Electrical の FFT 解析ツール。電圧波形の周波数スペクトルが表示され、電力品質は、全高調波歪み率により計算されます。

Simscape Electrical の FFT 解析ツール。電圧波形の周波数スペクトルが表示され、電力品質は、全高調波歪み率により計算されます。

デマンドレスポンス(解析技術3:電力及び燃料取引)

電力及び燃料取引とは

デマンドレスポンスにおいて複数の電力事業者と需要家間の最適な電力売買契約のマッチングを決めることが必須になります。この為には、市場の動向、天候、社会的な状況など複数の要素を考慮しなければなりません。これらデータを使って最適な取引をするには、過去のデータから知見を得ることが欠かせません。ここで有用になる解析手法は広範に渡り、これらを組み合わせて必要な戦略を決定していくことになります。

また、ここで作成した解析手法や数理モデルは未来の予測に使うことによりリスク管理を行うことができます。

電力及び燃料取引戦略で必要な解析技術

電力及び燃料取引戦略を立てる上で役立つ解析技術は次のようなものがあります。

数理最適化

複数の変更要素となる変数の組み合わせで最適な目的を達成する変数の組を探す手法。

適応例)電力需給のマッチング、発電機の起動停止問題、燃料貯蔵タンクの活用

与えられた電力需要量と市場価格の予測に対して

与えられた電力需要量と市場価格の予測に対して
数理的最適化された電力売買と蓄電池の充放電計画

金融工学に基づく解析

先物や為替取引の分野で確立された数理モデルを電力取引に応用する手法。

適応例)先物の価格付けモデルの構築、フォワードカーブの構築、グリークスによるリスクヘッジ、リスク計量と規制対応

幾何ブラウン運動型確率微分方程式による原油価格のシミュレーション

幾何ブラウン運動型確率微分方程式による原油価格のシミュレーション

ビッグデータ解析

多くの要素を考慮することにより知見を深め、予測精度を上げるための処理。適応例)天候、市場、地理的特徴など

解析の流れ

上述のような解析を実際に行うには次のような作業フローが効率的となります。

ここではMATLABを用いた解析のフローを紹介します。

MATLABのデータ解析フロー

MATLABのデータ解析フロー

  1. データの取り込み
    地域ごとの電力需要量のデータのような数値、文字列、日時、あるいはバイナリーが混在したデータを、ファイル、データベース、またはインターネットから読み込みこむことができます。データベースへの接続にはDatabase Toolbox™、インターネット経由でデータプロバイダーから電力、金融などのデータを取得するにはDatafeed Toolbox™が活用できます。
  2. 前処理
    欠損値処理、外れ値除去、データ取得時間を同期することができます。
  3. 解析
    最適化のためのOptimization Toolbox™、先物価格を予測する確率微分方程式を解いたり、現在価値などの計算のようなファイナンス分野の処理のためのFinancial Toolbox™機械学習、統計処理、モンテカルロシミュレーションのためのStatistics and Machine Learning Toolbox™など広範囲に渡る関数が用意されています。
  4. レポートまたはプログラムの展開
    取引戦略が決まりプログラムができたら、実際の取引を実行、またはMATLABプログラマーではない方が計算結果を活用することになります。自動レポート生成機能による解析結果の共有、MATLAB Compiler™による配布可能なスタンドアローンアプリケーションの作成、もしくは他言語環境で実行できるライブラリーの作成にはMATLAB Compiler SDKが活用できます。これによりBIツールなどからMATLABで作成したモデルを呼び出せるよう実装することも可能です。 更にサーバー・クライアント方式で、クライアント側のユーザはブラウザ、エクセル、もしくはMATLABで作成されたUIを通して、MATLAB Production Server™と呼ばれるサーバーに置かれたMATLABプログラムを実行して結果を見たり活用したりできます。

参考: パワーエレクトロニクス (パワエレ)