enDYNA
A software tool for real-time simulation of combustion engines during all phases of ECU development
Highlights
- Accurate simulation of engine dynamics for software- and hardware-in-the-loop applications
- High level of detail due to thermodynamic models of gas dynamics and combustion process
- Ready-to-use models for all common types of combustion engines and configurations
- Preprocessing tool for model parameterization
- Combines with veDYNA for the virtual car
Description
enDYNA® is a professional software package for the real-time simulation of combustion engines. Applications range from tests of engine control devices over integration tests in a virtual vehicle to precalibration in hardware-in-the-loop simulators.
For sophisticated testing scenarios, enDYNA engine models provide various possibilities of malfunction simulation. The high model accuracy and good parameterization quality by the enDYNA Preprocessing tool allows precise and reliable statements about the behavior of controllers and smooth operation.
The open and modular model architecture implemented in MATLAB® and Simulink® allows easy and straightforward incorporation of controller algorithms or models of user-specific components. All the functionality of MATLAB and Simulink is available for simulation control and postprocessing of results. The implementation of typical driving maneuvers (such as driving cycles) is supported by open and ready-to-use example scripts and tables.
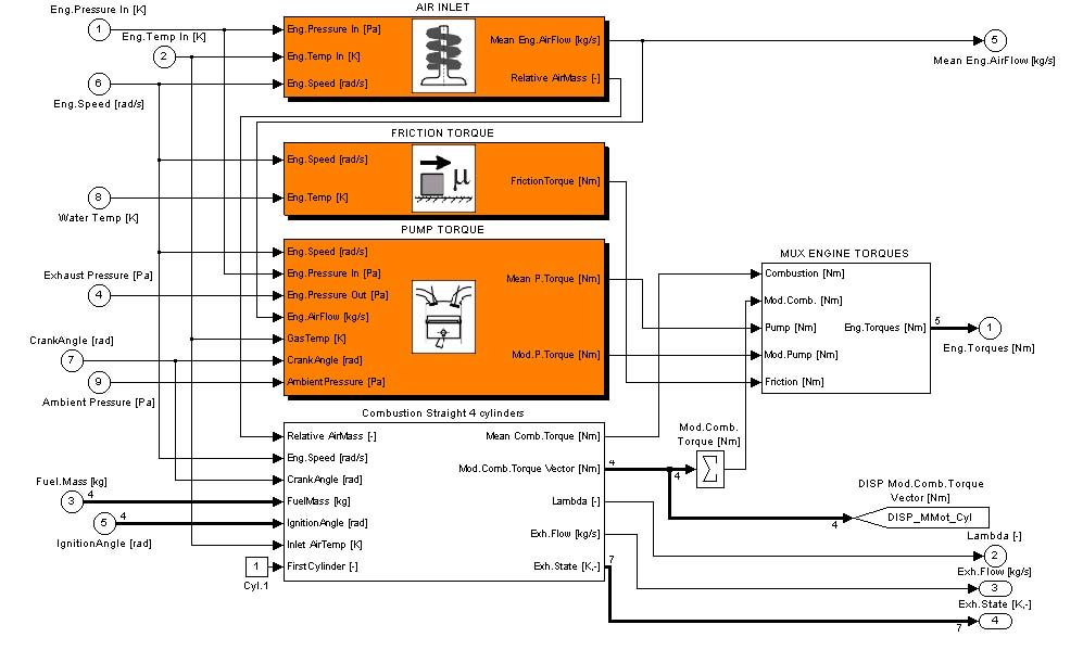
The new enDYNA Thermo packages include thermodynamic models of the gas path and the combustion process allowing for effects of variable valve lift and timing, multiple injections, exhaust gas recirculation, and boost pressure control, as well as exhaust gas after treatment. Its outstanding model accuracy constitutes a crucial extension for the test and the development of electronic controllers for modern diesel and gasoline engines, for example when respecting the cylinder pressure progression.
Different product packages and numerous model enhancements provide an appropriate solution for every application. enDYNA models can be extended by modules for the simulation of a multi-circuit cooling system with various types of fans, heat exchangers and thermostat, an exhaust system with catalysts, secondary air path, and lambda probes, as well as the vehicle's electrical system.
Vector Informatik GmbH
Ingersheimer Str. 24
70499 Stuttgart
GERMANY
Tel: +49-89-7473-77-0
sales@vector.com
https://www.vector.com
Required Products
Recommended Products
Platforms
- Windows
Support
- Consulting
- On-site assistance
- Telephone
- Training
Product Type
- Modeling and Simulation Tools
Tasks
- Control Systems
- Real-Time Systems
- System Modeling and Simulation
Industries
- Automotive
Related Connections Views: Automotive, Control Systems, Modeling and Simulation Tools, Real-Time Systems, System Modeling and Simulation