Main Content

Deployment and Validation

Deploy Simulink model on hardware and show numerical equivalence between Simulink® code and generated code running on STM32 processor based boards

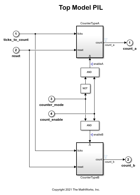
Verify numerical equivalence between Simulink algorithms and the generated C code running on STM32 processor based boards. The examples in this category show how to perform Processor-in-the-Loop (PIL) simulation to compare Simulink results with on-target execution. You can also use real-time execution profiling to measure task runtimes and confirm that the generated code meets timing and performance requirements.

Topics

Featured Examples