A battery management system (BMS) is a sophisticated electronic and software control system that is designed to monitor and manage the operational variables of rechargeable batteries such as those powering electric vehicles (EVs), electric vertical takeoff and landing (eVTOL) aircraft, battery energy storage systems (BESS), laptops, and smartphones.
Why Is a Battery Management System Important?
A battery management system directly influences the safety, efficiency, and longevity of the battery, and by extension, the overall performance and reliability of the system. Key impacts of a battery management system include:
- Safety:
- Overcharge and overdischarge prevention: The battery management system ensures that each cell within a battery pack is kept within its safe voltage limits, thus preventing situations that could lead to thermal runaway or premature cell degradation.
- Voltage and temperature monitoring: The BMS continuously monitors the voltage and temperature of the battery cells, providing an early warning of potential safety issues.
- Battery life extension:
- Stressful conditions prevention: By keeping the battery within its optimal operating conditions, a battery management system prevents stress that could lead to premature aging.
- Performance optimization:
- Operating condition optimization: By monitoring and adjusting parameters such as temperature and load management, a battery management system can ensure the battery operates efficiently, providing the best possible performance.
- State of charge (SOC) and state of health (SOH) estimation: A BMS calculates and reports the battery’s SOC and SOH, which are critical for understanding the available energy and the overall health of the battery, respectively.
- Cell balancing: Over time, the cells in a battery pack can become unbalanced, with some cells having higher or lower charge levels than others. A BMS can balance the cells by ensuring each cell is charged and discharged evenly, which helps maximize the battery run time.
- Cost reduction:
- Maintenance cost reduction: By extending the life of the battery and preventing damage through continuous monitoring and management, a battery management system can reduce maintenance and replacement costs.
- Maximized energy utilization: Through efficient cell balancing, a BMS maximizes the usable stored energy, increasing the cost efficiency of the system.
- Compliance and integration:
- Integration with renewable energy systems: A battery management system is essential for integrating batteries with renewable energy systems, such as solar panels or wind turbines, by managing energy storage and release.
- Compliance with regulations: In many cases, having a BMS is a regulatory requirement for safety and efficiency standards, especially in EVs and large-scale energy storage systems.
Keep Exploring This Topic
How Does a Battery Management System Work?
The primary functions of a battery management system are monitoring, state estimation, cell balancing, power management, thermal management, protection, and communications.
The primary functions of a battery management system.
Monitoring
A battery management system monitors voltage, current, and temperature to ensure the battery operates within its safe operating area.
State Estimation
One major function of a battery management system is state estimation, including state of charge (SOC), state of health (SOH), state of energy (SOE), and state of power (SOP) estimation. SOC is a normalized quantity that indicates how much charge is left in the battery, defined as the ratio between the maximum amount of charge extractable from the cell at a specific point in time and the total capacity. Methods to estimate SOC range from simple current integration (Coulomb counting) and voltage monitoring to sophisticated model-based and data-driven methods such as Kalman filters and neural networks.
SOH refers to the battery’s overall health condition (internal resistance and capacity) relative to its performance at the beginning of life (BOL). The SOH definition is more subjective than the SOC definition; there is no universal agreement on how SOH is to be defined. Because SOH can be defined based on capacity or internal resistance, each organization may have its own specific method for quantifying an SOH estimate in the battery management system, making it less desirable to create a general-purpose, off-the-shelf solution. Using Simscape Battery™, you can develop and simulate custom SOH estimation algorithms in your battery management system implementation that are in line with your organization’s specific interpretation of battery health.
Cell Balancing
Over time, individual cells within a battery pack may exhibit different charge levels due to variations in manufacturing, usage, or temperature conditions. A battery management system balances the charge across cells to ensure they all have the same charge level, thereby maximizing the battery’s capacity and lifespan. Two common approaches for cell balancing are passive balancing and active balancing.
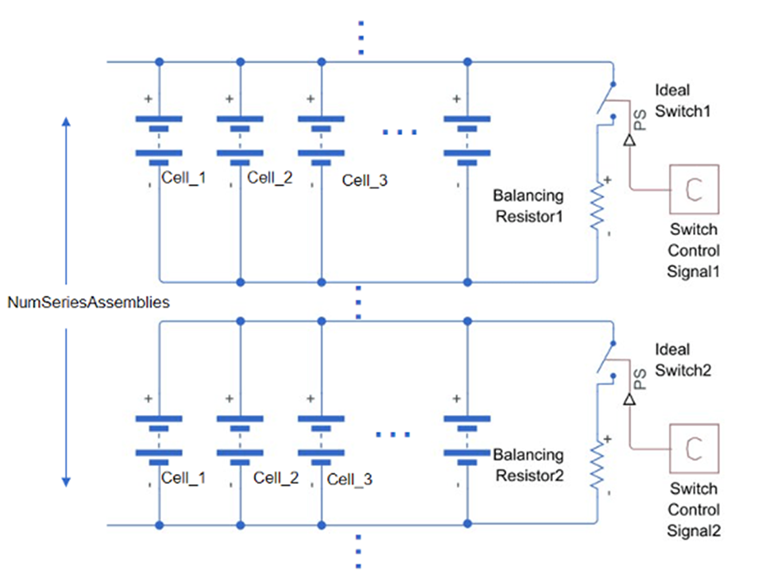
Passive Balancing
A battery management system drains charge from high-SOC cells using bleeding resistors. In this case, energy is dissipated as heat. Simscape Battery allows you to have both a built-in passive balancing circuit in the battery pack and an external balancing strategy in the battery management system.
Modeling a passive cell balancing circuit in a battery management system using the Pack object in Simscape Battery. (See example.)
You can plot the resulting SOC of two cells connected in series using a passive balancing algorithm.
State of charge for two cells connected in series using a passive balancing algorithm. (See Simscape Battery example.)
Simscape Battery enables you to test your passive cell balancing algorithms in the battery management system on a battery emulation hardware-in-the-loop (HIL) system using the Passive Balancing Interface block.
The Passive Balancing Interface block used for battery management system HIL testing.
Active Balancing
A battery management system moves charge from high-SOC cells to low-SOC cells using devices such as capacitors and inductors. In this case, energy is moved around within different cells inside the battery pack.
Model of the switched capacitor method for balancing battery cells. (See Simscape Battery example.)
Power Management
A battery management system oversees and controls the power flow to and from a battery pack. During charging, the BMS prevents overcurrent and overvoltage. The constant-current, constant-voltage (CC-CV) algorithm is a common battery charging approach used in a battery management system. During the constant-current charging phase, the charging current is held constant and the battery voltage gradually increases. During the constant-voltage charging phase, the charging voltage is held constant and the battery current gradually decays.
Operation of the constant-current and constant-voltage charging modes in a battery management system. (See Simscape Battery example.)
Thermal Management
Controlling temperature is crucial in batteries because high temperatures significantly decrease battery life and low temperatures lower the usable capacity and energy as well as affect how fast batteries can be charged. It is important for a battery management system to activate heaters or coolers to keep the temperature within safe limits. With Simscape Battery, you can model a charging and discharging cycle on a battery module assembly while monitoring the cell temperature and enabling cooling.
Battery management system model showing charge and discharge battery module assembly with a Battery Coolant Control block. (See Simscape Battery example.)
The battery cells start at different temperatures, and the Battery Coolant Control block monitors the cell temperature and starts cooling the module assembly if the battery cells surpass a limit temperature. When the cell temperature goes below a threshold, the Battery Coolant Control block deactivates the coolant flow.
Temperature of cells inside the module assembly being regulated using the built-in Battery Coolant Control block.
With Simscape Battery, you can use built-in blocks to build battery thermal management control algorithms, such as battery coolant control and battery heater control.
Protection
A battery management system provides safeguards against conditions that can harm the battery, such as overcharging, overdischarging, overcurrent, and overtemperature. Avoiding these conditions is crucial for preventing damage to the battery cells and ensuring user safety.
Simscape Battery provides several built-in battery protection algorithms for battery management system design:
- Battery Cell Contact Monitoring: Monitor for battery cell contact
- Battery Current Monitoring: Monitor for battery current
- Battery Temperature Monitoring: Monitor for battery temperature
- Battery Voltage Monitoring: Monitor for battery voltage
- Fault Qualification: Fault qualification algorithm
You can use a Battery Cell Contact Monitoring block in your battery management system to detect a disconnected cell based on the parallel assembly voltage.
Detecting a disconnected cell (parallel assembly #1) using a Battery Cell Contact Monitoring block. (See Simscape Battery example.)
You can use built-in protection blocks in your battery management system to monitor the current and temperature of a battery for undertemperature and overtemperature errors and overcurrent error (see Simscape Battery example).
Communications
A battery management system communicates with external devices or systems, providing real-time information about the battery’s status and receiving instructions for energy management.
By performing the primary functions above, a well-designed battery management system ensures maximum performance, safe operation, and optimal lifespan under diverse charge-discharge and environmental conditions.
Keep Exploring This Topic
Designing a Battery Management System with Simulink and Simscape Battery
With Simulink® and Simscape Battery, engineers can design and simulate battery management systems by:
- Modeling battery packs using the Battery Builder app or MATLAB® API in Simscape Battery
- Characterizing battery cell equivalent circuit model elements using test data for accurate representation of cell chemistry
- Developing battery management system control algorithms using built-in BMS control blocks in Simscape Battery
- Testing BMS algorithms using closed-loop desktop simulation, software-in-the-loop (SIL) simulation, processor-in-the-loop (PIL) simulation, and hardware-in-the-loop (HIL) simulation
- Modeling and simulating faults in the battery system
- Designing the power electronics circuit that connects the pack with the controls
- Developing closed-loop control algorithms for supervisory and fault detection logic
- Managing requirements and creating system architecture and functionality
Creating a battery pack object using a bottom-up approach, from individual cell to battery pack. You can use Simscape Battery to interactively create, modify, and visualize 3D battery objects, customize the modeling resolution, and generate a Simscape block of your designed battery object.
Creating a battery pack object using a bottom-up approach, from individual cell to battery pack. You can use Simscape Battery to interactively create, modify, and visualize 3D battery objects, customize the modeling resolution, and generate a Simscape block of your designed battery object.
Using Simulink and Simscape Battery, you can exercise the BMS over a range of operating and fault conditions before committing to hardware testing. You can generate C code from Simulink models to deploy your control algorithms for rapid prototyping of systems or microcontrollers.
Simulink generates code from the battery and electronic component models, enabling you to perform real-time simulation for HIL testing to validate your BMS before hardware implementation.
SOC Estimation with Simscape Battery
Accurate battery models are vital to the development of algorithms for model-based SOC estimation in a battery management system. Traditional approaches to SOC estimation in a battery management system, such as open-circuit voltage (OCV) measurement and current integration (Coulomb counting), are easy to implement and reasonably accurate in some cases. However, the OCV-based approach requires OCV measurement, which needs to be preceded by an extended resting period. Coulomb counting suffers from issues of poor initialization and accumulation of current measurement noise. The extended Kalman filter (EKF) and unscented Kalman filter (UKF) approaches have been shown to provide accurate results for a reasonable computational effort in real-world BMS implementations.
Simscape Battery provides several SOC estimators for BMS development:
- SOC Estimator (Adaptive Kalman Filter): State of charge and terminal resistance estimator with adaptive Kalman filter
- SOC Estimator (Adaptive Kalman Filter, Variable Capacity): State of charge and terminal resistance estimator with adaptive Kalman filter and variable capacity
- SOC Estimator (Coulomb Counting): State of charge estimator with Coulomb counting
- SOC Estimator (Coulomb Counting, Variable Capacity): State of charge estimator with Coulomb counting and variable capacity
- SOC Estimator (Kalman Filter): State of charge estimator with Kalman filter
- SOC Estimator (Kalman Filter, Variable Capacity): State of charge estimator with Kalman filter and variable capacity
Compared with the Kalman filter SOC estimator, the adaptive Kalman filter SOC estimator has terminal resistance as an additional state. Both the adaptive Kalman filter SOC estimator and the Kalman filter SOC estimator have the options to select EKF or UKF to develop an observer for estimating SOC. Such observers in a battery management system typically include a model of the nonlinear system of interest (the battery), which uses the current and voltage measured by the BMS from the cell as inputs, as well as a recursive algorithm that calculates the internal states of the system (SOC among them) based on a two-step prediction/correction process.
Real and estimated SOC using EKF with built-in BMS blocks. (See Simscape Battery example.)
SOC Estimation Using a Deep Learning Network
Instead of a Kalman filter, a battery management system can use a data-driven method such as a neural network to estimate SOC. This method does not require extensive information about the battery or its nonlinear behavior. Instead, the network is trained with current, voltage, and temperature data and SOC as a response. You can compress a neural network using projection, which exhibits faster forward passes when run on the CPU or deployed to BMS embedded hardware using library-free C or C++ code generation.
Using a neural network for SOC estimation in a battery management system. (See Deep Learning Toolbox™ example.)
Real and estimated SOC using a deep learning network in a battery management system.
SOH Estimation with Simscape Battery
It is important for a battery management system to estimate the battery’s state of health. All batteries, including those that meet performance specifications at the time of manufacture, degrade over time due to calendar aging and cycling aging, suffering a gradual loss in capacity and an increase in internal resistance. While the latter is relatively straightforward for a battery management system to estimate using short time measurements, the former requires a full charge or discharge excursion for an accurate calculation, which is not always practical.
This challenge has led to growing interest in SOH estimation in a battery management system as well as the development of adaptive Kalman filter formulations augmented to include battery parameters in addition to states. An accurate estimation of the instantaneous internal resistance is very helpful for a battery management system to establish power limitations.
Simscape Battery provides built-in SOH estimators to estimate battery capacity in a battery management system:
- Battery Capacity Estimator (Kalman Filter): Battery capacity estimator with Kalman filter
- Battery Capacity Estimator (Least Squares): Battery capacity estimator using least-squares algorithms
- Battery Capacity Estimator (Least Squares, Variable Weights): Battery capacity estimator using least-squares algorithms and variable weights
- SOH Estimator: State of health estimator
- SOH Estimator (Capacity-Based): State of health estimator based on capacity fade
Real and estimated SOC, estimated terminal resistance, and estimated SOH modeled in Simscape Battery using built-in battery management system blocks. (See example.)
Real and estimated SOC, real and estimated battery capacity, and estimated SOH modeled in Simscape Battery using built-in battery management system blocks. (See example.)
Battery Fast Charging
Modern technology users expect fast and efficient charging of their devices. Battery fast charging minimizes the time spent tethered to a power outlet, enabling users to quickly resume their activities without long interruptions, and is especially important for electric vehicles.
Simulink and Simscape Battery enable you to develop battery fast charging algorithms in your battery management system by modifying built-in blocks, such as the Battery CC-CV block, to incorporate a multistage constant-current and constant-voltage fast charging protocol. The Battery Single Particle block, which explicitly models the electrochemical processes inside batteries, provides a platform for fast charging current optimization within the constraints that minimize lithium plating and battery degradation.
Keep Exploring This Topic
A battery management system is a sophisticated electronic and software control system designed to monitor and manage the operational variables of rechargeable batteries in applications such as electric vehicles, eVTOL aircraft, battery energy storage systems, laptops, and smartphones.
The primary functions include monitoring voltage, current, and temperature; state estimation (SOC, SOH, SOE, SOP); cell balancing; power management; thermal management; protection against harmful conditions; and communications with external devices.
Cell balancing ensures all cells in a battery pack have the same charge level by addressing variations from manufacturing, usage, or temperature conditions, which maximizes the battery’s capacity and lifespan.
A BMS estimates SOC using methods ranging from simple current integration (Coulomb counting) and voltage monitoring to sophisticated model-based approaches such as Kalman filters and neural networks.
A BMS provides safeguards against overcharging, overdischarging, overcurrent, and overtemperature conditions to prevent damage to battery cells and ensure user safety.
Passive balancing drains charge from high-SOC cells using bleeding resistors and dissipates energy as heat, while active balancing moves charge from high-SOC cells to low-SOC cells using capacitors and inductors.
A BMS controls temperature by activating heaters or coolers to keep the battery within safe limits, which is crucial since high temperatures decrease battery life and low temperatures reduce usable capacity and charging speed.
SOH refers to the battery’s overall health condition, including internal resistance and capacity, relative to its performance at the beginning of life, though there is no universal agreement on how SOH is defined.
Related Topics
Explore similar topic areas commonly used with MATLAB and Simulink products.
Select a Web Site
Choose a web site to get translated content where available and see local events and offers. Based on your location, we recommend that you select: .
You can also select a web site from the following list
How to Get Best Site Performance
Select the China site (in Chinese or English) for best site performance. Other MathWorks country sites are not optimized for visits from your location.
Americas
- América Latina (Español)
- Canada (English)
- United States (English)
Europe
- Belgium (English)
- Denmark (English)
- Deutschland (Deutsch)
- España (Español)
- Finland (English)
- France (Français)
- Ireland (English)
- Italia (Italiano)
- Luxembourg (English)
- Netherlands (English)
- Norway (English)
- Österreich (Deutsch)
- Portugal (English)
- Sweden (English)
- Switzerland
- United Kingdom (English)