Power Factor Correction

What Is Power Factor Correction?

Power factor is a measure that describes the efficiency with which an alternating current (AC) electrical system converts electric power into useful work output. Power factor correction is the process of improving the power factor of an electrical power system to make it more efficient.

Power factor for an AC circuit is the ratio of the instantaneous real power used by an electrical load to the apparent power running through the circuit. It is a measure of how effectively power is transmitted and used by loads attached to an electrical grid, highlighting the relationship between the real power that performs actual work and the apparent power that is supplied to the circuit.

\[Power \; Factor = cosθ = \frac{Real \; Power \; (kW)}{Apparent \; Power \; (kVA)}\]

Power factor is represented by \(cosθ\), where \(θ\) the angle between the real power and the apparent power in the vector power triangle below.

A triangle with angle θ between the apparent power and real power in a circuit.

Vector power triangle.

Power factor is expressed as a numerical value between 0 and 1 (or as a percentage), where a value of 1 (or 100%) signifies maximum efficiency. A power factor less than 1 indicates that current and voltage are not in phase in an AC circuit.

Power Factor Correction Techniques

Power factor correction techniques are strategies and methods employed to improve the power factor of an electrical power system to make it closer to 1, aiming to make them more efficient. Several techniques are used for achieving power factor correction.

Synchronous Condensers

A synchronous condenser, which is essentially a synchronous motor running without a mechanical load, can be adjusted to provide leading or lagging volt-amperes reactive (VARs) as needed. This approach helps in dynamically balancing the power factor under varying load conditions.

For example, a large wind farm uses a synchronous condenser near its connection point to the electrical grid to counteract the variable power factor caused by fluctuating wind speeds and inductive transformer loads. This condenser dynamically adjusts, providing or absorbing reactive power as needed, stabilizing grid voltage, ensuring efficient power transmission, and minimizing losses, thus allowing for reliable and efficient power supply despite wind variability.

Phase Advancers

Used primarily with induction motors, phase advancers are devices that provide the necessary leading current to the rotor, thereby reducing the lagging VAR drawn from the supply. This technique improves the power factor of the motor itself and the overall system. 

Active Power Factor Correction

Active power factor correction is a technique used in electronic circuits and devices, employing power electronics to change the waveform of current drawn by the load to improve the power factor. This method is particularly effective for nonlinear loads, such as those found in switch-mode power supplies.

Switch-mode power supplies used in computers, being nonlinear loads, can introduce a significant amount of harmonic distortion into the power system and exhibit a poor power factor if left uncorrected. To address this issue, many computer power supplies incorporate an active PFC circuit.

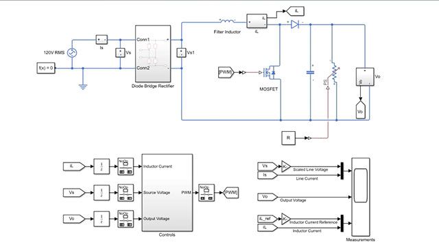
Screenshot of Simscape Electrical model for power factor correction showing boost converter, controls, and circuit scope.

Modeling power factor correction for a continuous conduction mode (CCM) boost converter in Simscape Electrical (see example).

Passive Power Factor Correction

Passive power factor correction involves using passive elements like capacitors and inductors to improve the power factor. This method is simpler and less expensive than active power factor correction but is typically less effective at correcting the power factor for nonlinear loads.

For example, fluorescent lights in commercial buildings, which are inductive loads, can cause a lagging power factor, leading to increased demand charges from the utility company and reduced electrical system efficiency. To correct this, capacitors are installed in parallel with the lighting circuit. These capacitors provide leading reactive power, counterbalancing the lagging reactive power drawn by the lights, thus improving the power factor.

In conclusion, improving the power factor through these techniques can lead to significant benefits, including reduced energy costs, increased system capacity, and improved voltage regulation, contributing to a more efficient and reliable power system.

You can use MATLAB®, Simulink®, and Simscape Electrical™ to design, simulate, and analyze power converters, AC motors, power systems stabilities, load flow, and harmonics in the system by using built-in libraries that contain models of various components and systems. This approach enables you to perform a detailed analysis of how these systems perform under various conditions and how they can be optimized. By using Embedded Coder®, you can generate production code for the controller and perform hardware-in-the-loop (HIL) testing to assess the controller performance under various operating conditions. This process helps mitigate risks and optimize performance of the power electronics system used for improving the power quality.


See also: dc-dc converter control, Simscape Electrical, PID control, power electronics simulation, small signal analysis, C2000 Microcontroller Blockset