Leistungsfaktorkorrektur

Was ist eine Leistungsfaktorkorrektur?

Der Leistungsfaktor ist ein Maß für die Effizienz, mit der ein elektrisches Wechselstromsystem elektrische Leistung in sinnvolle Arbeitsresultate umwandelt. Unter Leistungsfaktorkorrektur versteht man die Verbesserung des Leistungsfaktors eines elektrischen Stromnetzes, um seine Effizienz zu steigern.

Der Leistungsfaktor eines Wechselstromkreises ist das Verhältnis zwischen der momentanen Wirkleistung, die von einer elektrischen Last verbraucht wird, und der Scheinleistung, die durch den Stromkreis fließt. Sie ist ein Maß dafür, wie effektiv die Leistung von den an ein Stromnetz angeschlossenen Verbrauchern übertragen und genutzt wird, und verdeutlicht das Verhältnis zwischen der tatsächlichen Leistung, die tatsächliche Arbeit verrichtet, und der Scheinleistung, die dem Stromkreis zugeführt wird.

\[Leistung \; Faktor = cosθ = \frac{Real \; Leistung \; (kW)}{Schein \; Leistung \; (kVA)}\]

Der Leistungsfaktor wird durch \(cosθ\) dargestellt, wobei \(θ\) der Winkel zwischen der Wirkleistung und der Scheinleistung im nachstehenden Leistungsvektordreieck ist.

Ein Dreieck mit dem Winkel θ zwischen der Scheinleistung und der Wirkleistung in einem Stromkreis.

Vektor-Leistungsdreieck.

Der Leistungsfaktor wird als numerischer Wert zwischen 0 und 1 (oder als Prozentsatz) ausgedrückt, wobei ein Wert von 1 (oder 100 %) die maximale Effizienz bedeutet. Ein Leistungsfaktor von weniger als 1 bedeutet, dass Strom und Spannung in einem Wechselstromkreis nicht in Phase sind.

Methoden für die Leistungsfaktorkorrektur

Methoden für die Leistungsfaktorkorrektur sind Strategien und Methoden, mit denen der Leistungsfaktor eines elektrischen Stromnetzes verbessert und näher an 1 herangeführt werden kann, mit dem Ziel, seine Effizienz zu steigern. Für die Korrektur des Leistungsfaktors werden verschiedene Methoden angewendet.

Synchronkondensatoren

Ein Synchronkondensator, bei dem es sich im Wesentlichen um einen Synchronmotor handelt, der ohne mechanische Last läuft, kann so eingestellt werden, dass er je nach Bedarf voreilende oder nacheilende Volt-Ampere-Blindleistung (VAR) liefert. Dieser Ansatz hilft beim dynamischen Ausgleich des Leistungsfaktors unter wechselnden Lastbedingungen.

In einem großen Windpark wird beispielsweise ein Synchronkondensator in der Nähe des Anschlusspunkts an das Stromnetz eingesetzt, um den variablen Leistungsfaktor auszugleichen, der durch schwankende Windgeschwindigkeiten und induktive Transformatorlasten verursacht wird. Dieser Kondensator passt sich dynamisch an, indem er je nach Bedarf Blindleistung bereitstellt oder aufnimmt, die Netzspannung stabilisiert, eine effiziente Stromübertragung gewährleistet und Verluste minimiert, wodurch eine zuverlässige und effiziente Stromversorgung trotz Windschwankungen möglich wird.

Phasenabschnittdämpfer

Phasenabschnittdämpfer werden in erster Linie bei Asynchronmotoren eingesetzt und liefern den erforderlichen Vorlaufstrom an den Rotor und reduzieren damit die aus dem Netz gezogene Blindleistung. Diese Technik verbessert den Leistungsfaktor des Motors selbst und des gesamten Systems. 

Aktive Leistungsfaktorkorrektur

Die aktive Leistungsfaktorkorrektur ist eine Technik, die in elektronischen Schaltkreisen und Geräten eingesetzt wird und bei der die Leistungselektronik die Wellenform des von der Last aufgenommenen Stroms ändert, um den Leistungsfaktor zu verbessern. Diese Methode ist besonders effektiv bei nichtlinearen Lasten, wie sie in Schaltnetzteilen vorkommen.

Schaltnetzteile, die in Computern verwendet werden, können als nichtlineare Lasten eine erhebliche Menge an Oberschwingungsverzerrungen in das Stromnetz einbringen und einen schlechten Leistungsfaktor aufweisen, wenn sie nicht korrigiert werden. Um dieses Problem zu lösen, sind viele Computernetzteile mit einer aktiven PFC-Schaltung ausgestattet.

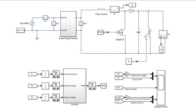
Screenshot des Simscape Electrical-Modells für die Blindleistungskompensation mit Hochsetzsteller, Steuerungen und Schaltungsumfang.

Modellierung der Leistungsfaktorkorrektur für einen Aufwärtswandler im kontinuierlichen Durchlassmodus (CCM) in Simscape Electrical (siehe Beispiel).

Aktive Leistungsfaktorkorrektur

Bei der passiven Leistungsfaktorkorrektur werden passive Elemente wie Kondensatoren und Induktivitäten zur Verbesserung des Leistungsfaktors eingesetzt. Diese Methode ist einfacher und kostengünstiger als die aktive Blindleistungskompensation, ist aber in der Regel bei der Korrektur des Leistungsfaktors für nichtlineare Lasten weniger effektiv.

So können beispielsweise Leuchtstoffröhren in Gewerbeimmobilien, die induktive Lasten sind, einen nacheilenden Leistungsfaktor verursachen, was zu erhöhten Verbrauchsbelastungen durch den Energieversorger und einer geringeren Effizienz des elektrischen Systems führt. Deshalb werden Kondensatoren parallel zum Beleuchtungskreislauf zur Korrektur installiert. Diese Kondensatoren liefern eine voreilende Blindleistung, die die von den Lampen aufgenommene nacheilende Blindleistung ausgleicht und so den Leistungsfaktor verbessert.

Zusammenfassend lässt sich sagen, dass die Verbesserung des Leistungsfaktors durch diese Techniken zu erheblichen Vorteilen führen kann, einschließlich reduzierter Energiekosten, erhöhter Systemkapazität und verbesserter Spannungsregelung, was zu einem effizienteren und zuverlässigeren Stromsystem beiträgt.

Mit MATLAB®, Simulink®, and Simscape Electrical™ können Sie Stromrichter, Wechselstrommotoren, Netzstabilitäten, Lastfluss und Oberschwingungen im System entwickeln, simulieren und analysieren und dazu die integrierten Bibliotheken nutzen, die Modelle verschiedener Komponenten und Systeme enthalten. Mit diesem Ansatz können Sie detailliert analysieren, wie diese Systeme unter verschiedenen Bedingungen funktionieren und wie sie optimiert werden können. Mit Embedded Coder® können Sie Produktionscode für den Regler generieren und Hardware-in-the-Loop (HIL)-Tests durchführen, um die Leistung Ihres Leistungsreglers unter verschiedenen Betriebsbedingungen zu bewerten. Dieser Prozess trägt zur Risikominderung und zur Optimierung der Leistung des leistungselektronischen Systems bei, das zur Verbesserung der Netzqualität eingesetzt wird.


Siehe auch: Regelung für DC-DC-Wandler, Simscape Electrical, PID-Regler, Simulation der Leistungselektronik, Kleinsignalanalyse, C2000 Microcontroller Blockset